资料下载
   技术交流
 地 址:杭州市上城区笕桥镇泰和弄10号
 电 话:0571-87322571
 传 真:0571-85421710
 
 
洁净室设计的简易十步法
发布日期:2011-06-09

“简易”这个词用在设计洁净室这样的敏感环境时可能不一定恰当,但是,这并不意味着你按照逻辑顺序处理好问题就不能够建造出一个好的洁净室。这篇论文涵盖了洁净室设计的每个关键步骤,一直到细节问题如调整负载计算、规划空气流出路径、充分的机械结构空间。生产过程经常需要一个对环境要求严格的洁净室。因为洁净室有复杂的机械系统,构造、运行和能耗成本非常高,因此洁净室设计的条理性非常重要。本论文将展示评估和设计洁净室的步骤,包括:人流/物流因素、定义洁净室级别、洁净室压力、洁净室供风、洁净室风量流出、风量平衡、其他需评估的因素、机械结构选择、加热冷却负荷的计算和必要的辅助空间。

表(一)

第一步:人流及物流布局评估


评估洁净区域的人流及物流状况非常重要。人员是洁净室的最大污染源,所有关键生产过程必须与人员入口和通道隔离。最高级别的洁净室应只有单一入口,以避免该洁净室成为其他低级别房间的过道。一个制药过程可能会与其他的制药过程交叉污染。生产过程交叉污染的评估需仔细考虑原物料及其包装物的传入路线、物料隔离状况、产品及其包装物的传出路线。图一是一个骨胶厂的案例,该案例既包括只有单一入口的关键洁净室,也包括限制人员进出的气闸缓冲间。

第二步:确定区域的洁净级别

在选择洁净室级别前,对洁净室分级标准及各洁净级别下粒子状况要求的了解非常重要,ISO标准14644-1提供了不同洁净室级别的分类(1(ISO3),10(ISO4),100(ISO5),1000(ISO6),10000(ISO7) 和100000(ISO8) )及其对不同粒径粒子的最大允许数量。
例如:100(ISO5)级洁净室的要求是:粒径0.1u以上颗粒的最大数量为3500个/立方英尺,粒径0.5u以上颗粒的最多数量为100个/立方英尺,粒径1.0u以上颗粒的最多数量为24个/立方英尺。表1具体罗列了不同洁净级别对粒子的要求。洁净室洁净级别对洁净室的建造成本、维护成本和能源等成本有很大的影响。仔细分析不同洁净级别和各种组织机构(如FDA)对如何进行洁净室的要求非常重要。比较典型意义的有:生产过程越敏感,洁净室级别要求越高。表2列举了不同生产过程要求的洁净室级别。
洁净级别要根据生产过程的特性来选择。在给不同房间定义级别时,必须注意:相邻房间的洁净级别不能超过两级。例如:100000级洁净室直接通往100级洁净室是不允许的,但是100000级洁净室直接通向1000级是可以的。
请看图一中的骨胶生产车间。更衣和最终包装重要程度低一些,所以这两个房间的洁净级别是100000级(ISO 8),骨胶气闸和无菌气闸直接通向关键区域,因此选择更高的10000级(ISO7),而溶剂包装是非常重要的过程,因而选择在1000级(ISO 6)房间内的100级(ISO 5)层流罩下进行。

第三步:确定压力

相邻的洁净室,级别高的房间到级别低的房间必须保持正压,以防止低级别洁净房间气流回流到高级别房间。如果是零压力或负压,洁净室的洁净度是很难长时间维持的。那相邻洁净室之间的压力多少合适呢?对此问题,研究人员进行了洁净室相邻房间(包括洁净室与非洁净室之间)气流带进污染的课题研究。研究表明,相邻洁净室之间,压差保持在7.5Pa – 12.5Pa 对减少气流带进的污染很有效。压差大于12.5Pa.时,有效控制气流带进污染的持续性并不比压差在7.5Pa时的效果好。
请注意:压差越大,能耗成本越大,压力稳定性越难控制;同时,压差越大,开门和关门需要的力道越大。门上的最大压差,建议不要超过25Pa。当压力在25Pa时,打开一扇3尺X 7尺的门需要11磅的力,这种情况下,洁净室的结构可能需要改进以保证门上压差的稳定性。我们的骨胶包装车间建在现有的无压差(0.0 in. w.g)的仓库内,介于仓库和更衣室之间的气闸没有洁净级别,也没有设计房间的压力。更衣室内的实际压力为7.5Pa , 而骨胶气闸与无菌气闸房间内的压力为15Pa。最终包装房间的压力为15Pa。骨胶包装房间的压力为7.5Pa,该房间的压力略小于骨胶气闸和最终包装的压力,以吸纳包装过程中产生的粉尘。流入到骨胶包装房间的空气是从相同洁净级别的房间来的。空气不能从脏的洁净级别(或者低级别)流入到干净的洁净级别(或者高级别)。关键包装区域的压力为27.5Pa。注意,该区域与重要性低一些的区域之间的压差为7.5Pa 。而关键包装和无菌气闸之间的压差为25Pa。27.5Pa的区域压力不需要对墙壁和天花板的结构进行加强。当一个区域的压力大于125Pa时,就必须评估墙壁和天花板的结构是否该加强。

第四步:确定区域的供风量区域的洁净度是确定洁净室供风量最基本的因素。见表三,每一个洁净级别都有一个换气次数。例如,100000级洁净室的换气次数为15 – 30次。确定洁净室的换气次数必须考虑该洁净室内的预期活动。一个100000级(ISO 8)的洁净室,如果活动频率低,过程产生粒子多,与相邻脏级别(或低级别)房间呈正压,其换气次数可以是15次,而活动频繁,过程拥挤,过程产生粒子多,与相邻脏级别(或低级别)房间呈零压力,其换气次数可能需要30次。
设计者需根据对实际活动状况的评估来确定换气次数。影响洁净室供风量的其他因素有:排风量、开门或开口位置流入的空气量,开门或开口位置流出的空气量。ISO在14644-4中列举了推荐的换气次数。
见图一,更衣间的人员出入最频繁,但这儿不是关键的生产区域,换气次数定位20次。无菌气闸和骨胶包装气闸两个洁净室与关键的生产区域相邻,考虑到骨胶的的特殊性,气流方向应该从气闸流向包装区域。尽管这些气闸限制了人员的出入且不产生粒子,但这儿非常重要,因为这儿是更衣间通向生产过程的缓冲,换气次数定义为40次。
最终包装是将骨胶的袋子装入到第二个袋子内,这个过程重要性低一些,换气次数定为20次。骨胶包装是关键过程,换气次数定为40次。溶剂包装是一个非常关键的生产过程,该过程在1000级(ISO 6)洁净室内的100级(ISO 5)层流罩下进行。溶剂包装对人员的出入限制很严,产生粒子颗粒少,换气次数定义为150次。 

第五步:确定区域空气流失量
大部分洁净室处于正压状态,在设计中已经考虑了从洁净室流出到相邻低压力房间的空气量。而部分通过电气接口,灯具,窗沿,门缝,墙壁与天花接缝,墙壁与地板接缝和开门流出的空气量在设计中无法计算。认识到洁净室不是绝对密封,而是会有空气泄漏的非常重要。一个密封完好的洁净室会有1%到2%的空气泄漏率。这种泄漏是坏事吗?未必。
首先,洁净室做到绝对零泄漏是不可能的;其次,如果采用主动的供风、回风和排风控制设施,供风量必须大于回风量10%以上,以利于将供风、回风和排气阀门的调节到一个稳定的工作状态。通过门流出的空气量有门的尺寸、门两边的压差、门的密封程度(门的密封圈、闭门器)。
我们知道,在洁净室设计中,已经考虑了洁净室之间的空气流入和流出。那么,设计中无法计算的空气流失量会到哪儿去了呢?空气会从钉子的小空隙流失。参见图一中的项目,在静压差为7.5Pa时,流出3X7英尺门的空气量是190 cfm,而在静压差为12.5Pa时,流出同尺寸门的空气量是270 cfm。

第六步:确定区域空气量平衡
洁净室的风量平衡指进入的风量(供风量、其他洁净室流入风量)与流出的风量(回风、流出道其他洁净室、排风)相等。见图2的骨胶厂房的风量平衡。溶剂包装洁净室供风量是2250cfm,流出到无菌气闸的是270cfm.回风量是1980cfm.无菌气闸的供风量是290cfm,从溶剂包装流入的风量是270cfm,流出到更衣间的风量是190cfm,回风量为370cfm.
骨胶包装洁净室供风量为600cfm,从骨胶气闸流入的气量为190cfm,排风口排出300cfm,回风为490cfm。骨胶气闸供风量为380cfm,190cfm流出到骨胶包装洁净室。最终包装洁净室的供风量为670cfm,流出到更衣室的风量为190cfm,回风量为480cfm.更衣室的供风量为480cfm,流入风量为570cfm,流出风量为190cfm,回风量为860cfm。
现在,我们确定了各洁净室房间的供风气流、流入气流、流出气流、排风气流和回风气流的流向。最后一个洁净室的回风气流在投入使用前调整以补偿设计中无法计算的空气流失量。

第七步:评估其他影响因素
其他需要评估的因素包括:
温度:为了减少粒子的产生,降低人员带进的潜在污染,洁净室人员在自己日常衣服外穿上罩衣或者覆盖全身的套装。因为穿了更多的衣服,保持洁净室温度稍低非常重要,这样可以提高洁净室人员的舒适度。洁净室的环境温度一般控制在18°C 到22°C。
湿度:因为洁净室的气流快,这样会产生大量的静电负荷。如果洁净室处在一个相对低的湿度,当天花与墙面累计了大量的静电负荷时,空气中的浮游菌会被吸附在其表面。在这种情况下,如果洁净室湿度增加,静电负荷会被释放,所有被洁净室表面静电吸附的浮游菌在瞬间被释放出来,从而造成洁净室环境超标(OOS)。此外,高静电负荷会损坏某些静电敏感部件。因此,保持洁净室足够高的湿度以降低静电负荷堆积非常重要。首选的湿度是RH 45% +5%。
层流度:洁净室内关键的生产过程必须确保在层流下进行,这样可以降低污染物介入关键活动与HEPA之间的气流。IEST标准#IEST-WG-CC006提供了层流度的要求。
静电释放:由于某些生产过程对静电非常敏感,因此,除了控制洁净室的湿度之外,将其接地也很重要。
噪音水平及震动;某些精密的生产过程对噪音及震动非常敏感。

第八步:确定机械结构布局
影响洁净室机械结构布局有很多因素,包括:可利用空间、资金、生产过程要求、洁净度、稳定性、能耗、建筑成本和当地气候。与日常空调系统不同,洁净室的空调系统要提供超额的空气量以满足冷却和加热负荷。
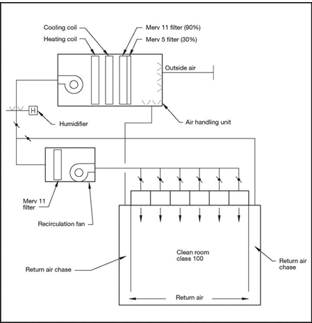
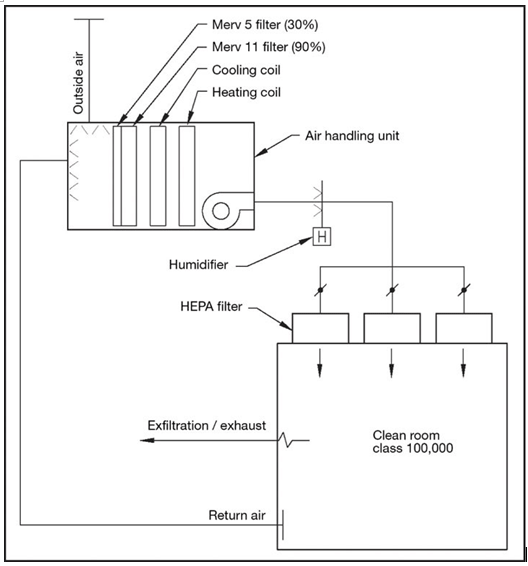
100000级(ISO 8)和低换气次数的10000级(ISO 7)洁净室能让所有的空气通过新风空气处理单元。见图3,回风与外部空气混合后,经过过滤、冷却、再加热,加湿,然后被输送到天花上的终端高效过滤器(HEPA)。为了预防洁净室内污染的空气形成涡流,回风是在墙面的低位被抽回的。对于高换气次数的10000(ISO7)级或更高级别的洁净室,因为气流量太大,不能全部经过AHU。参见图4,仅有一小部分回风被输送到新风空气处理单元,其他的回风回到了循环风机组。

第九步: 进行加热、冷却计算
在进行洁净室加热和冷却计算时,需考虑下列因素:
 考虑最保守的气候状况.
 过滤情况
 加湿器的热量
 生产过程中的负载
循环风扇的产热量

第十步:机械结构的空间设计
洁净室具有密集的机械结构和电气结构。洁净室对洁净状况的要求越高,所要求的辅助建筑空间就越多。以一个1000平方英尺的洁净室为例,一个100000级(ISO 8)洁净室需要250到400平方英尺的辅助空间,一个10000级(ISO 7)洁净室需要500到1000平方英尺的辅助空间,而一个100级(ISO 5)洁净室需要750到1500平方英尺的辅助空间。
实际辅助空间的面积由下列因素确定:新风空气处理单元气流量及其复杂度(单一因素:空气滤芯、加热线圈、冷却线圈、风扇;复合因素:消音器、回风扇、新风吸取、过滤环节、加热环节、冷却环节、加湿器、供风扇和分配均流板)和专用洁净室支持系统(排风、再循环、冷却水、热水、蒸汽和RO/DI水)。因此,在项目设计早期,告知项目负责人机械设备的占有空间非常重要。

结束语
洁净室象赛车,如果有正确的设计和制造,它们性能卓越;如果设计和制造得粗糙,它们性能差且不稳定。洁净室有一些潜在的问题,建议您在刚接触洁净室项目时,有洁净室经验丰富的工程师进行监控。

 
 
杭州悦来净化设备有限公司 版权所有
电话:0571-87322571 传真:0571-85421710 邮箱:  地址:杭州市上城区笕桥镇泰和弄10号